Rubber Plucking Finger PM 0211 round (G) . Finger is used for all types of poultry. Excellent flexibility, soft contact with the skin. It has an optimum tip shape for a better "fit" of the pen. Head shape provides the most reliable attachment.
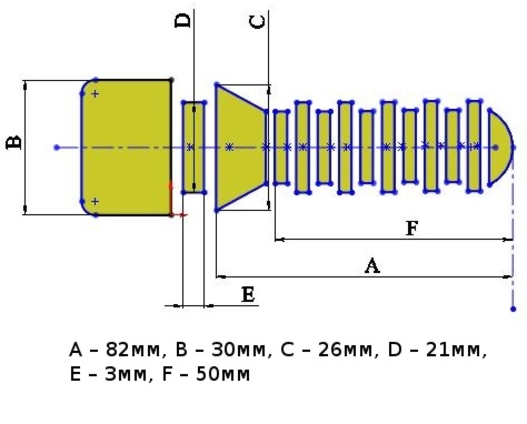
Dimensions: A - 82mm, B - 30 mm, S - 26mm, D- 21mm, E- 3mm, F- 50mm
Hardness: 55sh - 60sh
Used machines: MOS, Barker, Stork, Ashly, Gordon Johnson
Minimum order quantity: 100 pieces
Price: 0.22 € / 1pc
When wholesale purchases - Price 0.17€ / 1pc

