Rubber Plucking Finger PH 0612 round (G) with thin fins that provide maximum flexibility and excellent job without damaging the skin at home machines
for removal of plumage (feathers) birds. Special body profile and a head pin for high performance.
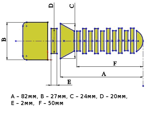
Dimensions: A- 82mm, B - 27 mm, S - 24mm, D- 20mm, E- 2mm, F- 50mm
Minimum order quantity: 100 pieces
Price: 0.20 € / 1pc

